English
Español
Português
русский
Français
日本語
Deutsch
tiếng Việt
Italiano
Nederlands
ภาษาไทย
Polski
한국어
Svenska
magyar
Malay
বাংলা ভাষার
Dansk
Suomi
हिन्दी
Pilipino
Türkçe
Gaeilge
العربية
Indonesia
Norsk
تمل
český
ελληνικά
український
Javanese
فارسی
தமிழ்
తెలుగు
नेपाली
Burmese
български
ລາວ
Latine
Қазақша
Euskal
Azərbaycan
Slovenský jazyk
Македонски
Lietuvos
Eesti Keel
Română
Slovenski
मराठी
Srpski језик
Produktegenskaber
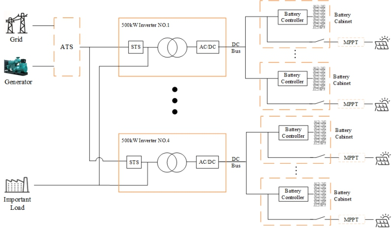
1. Belastninger på mere end 500 kW, det anbefales at bruge en 500 kW energilagringsinverter med stor kapacitet på 500 kW, som er i stand til at understøtte op til fire sæt parallelle forbindelser og opnå en samlet effekt på 2 MW;
2.Når flere 500 kW systemer drives parallelt og distribuerer STSa på tværs af forskellige 500 kW invertere, er det afgørende at sikre, at kabellængden fra nettets forbindelsespunkt til belastningsforbindelsespunktet er ensartet;
3. Den hybride ESS anvender DC-koblet fotovoltaisk integration, der opnår høj energikonverteringseffektivitet og optimeret til off-grid-scenarier med PV-genereringskapacitet, der overstiger belastningsbehovet; Udendørs klassificeret MPPT
controllere integrerer combiner- og MPPT-funktioner i et enkelt hærdet kabinet. Det komplette system inkluderer en dieselgenerator ATS option, en 300kW hybrid inverter, PV MPPT controller og et batteri
energilagringssystem.


Specifikation
| Modeller | P500TS-400-A | |
|
DC-Side parametre |
Spændingsområde | 500-950V |
| Maksimal strøm | 1128A | |
| Nominel udgangseffekt | 500 kW | |
|
AC-Side parametre (nettilsluttet) |
Maksimal udgangseffekt | 550 kW |
| Nominel udgangsstrøm | 722A | |
| THDi | <3 % | |
| Grid type | 3W+N+PE | |
| Spændingsområde | 360VAC~440VAC | |
| Frekvensområde | 45~55Hz/55~65Hz | |
| Effektfaktor | -1~1 | |
| Nominel udgangseffekt | 500 kW | |
|
AC side parametre (Off-grid) |
Nominel udgangsspænding | 400V |
| Nominel udgangsfrekvens | 50/60 Hz | |
| THDu | <1 %lineær belastning,<5 % ikke-lineær belastning | |
| Overbelastningskapacitet | 110% 10 minutter | |
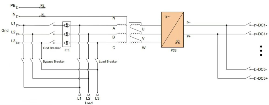
| Vedligeholdelse bypass-afbryder | 1250A | |
|
Off-Grid kontakt og switch konfiguration |
DC-afbryder | 1250A |
| Belastningskontakt | 1250A | |
| Netkontakt | 1250A | |
| STS enhed | 1155A/800kW | |
| Skiftetid | <20 ms | |
|
Systemparametre |
Peakeffektivitet | 97,5 % |
| Driftstemperatur | -30 ~ 55 ℃ (nedsættelse over 40 ℃) | |
| Relativ luftfugtighed | 0 til 95 % RH, Ikke-kondenserende | |
| Dimensioner (L*D*H) | 1600×1050×2050 mm | |
| Vægt | 2700 kg | |
| IPgrade | IP21 IP21 (komplet maskine) | |
| Støj | <70dB | |
| Skærm | LCD | |
| BMS kommunikation | KAN | |
| EMS kommunikation | TCP/IP | |