English
Español
Português
русский
Français
日本語
Deutsch
tiếng Việt
Italiano
Nederlands
ภาษาไทย
Polski
한국어
Svenska
magyar
Malay
বাংলা ভাষার
Dansk
Suomi
हिन्दी
Pilipino
Türkçe
Gaeilge
العربية
Indonesia
Norsk
تمل
český
ελληνικά
український
Javanese
فارسی
தமிழ்
తెలుగు
नेपाली
Burmese
български
ລາວ
Latine
Қазақша
Euskal
Azərbaycan
Slovenský jazyk
Македонски
Lietuvos
Eesti Keel
Română
Slovenski
मराठी
Srpski језик
Produkt funktiones
1, DC-generering og DC-lagring, mere effektivitet og lavere tab, som er egnet til PV og lagerkraft er større
end belastningsstrøm off-grid scenarier;
2, IP65-beskyttelse, der opfylder udendørsbrug. MPPT i nærheden øger konvergensoutput, hvilket hjælper med at forhindre ledninger
forvirring forårsaget af flere fotovoltaiske (PV) kabler, der overføres over lange afstande til alt-i-én-systemet.
3, 200-900V bredt spændingsområde af fotovoltaisk input, der understøtter industriens højstrøms fotovoltaiske moduladgang.
4、Multi-channel MPPT, der møder PV-panelets multi-vinkel
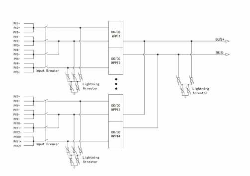
Ledningsdiagram

Specifikation
| Modeller | MPPT-8 | MPPT-6 | MPPT-12 | |
| PV-side interface Parametre |
Maksimal PV array spænding | 900V | ||
| MPPT spændingsområde | 200V-900V | |||
| Nominel MPPT spændingsområde | 560V-900V | |||
| Maksimal grenstrøm | 24A | 20A | ||
| PV input strenge nummer | 8 | 6 | 12 | |
| Antal MPPT | 8 | 2 | 4 | |
| Aktuel pr. MPPT | 20A | 55A | ||
| Output parametre | Spændingsområde | 600-950V | ||
| Nominel spænding | Standard 716.8V, justerbar | |||
| Nominel udgangsstrøm | 118A | 84A | 168A | |
| Nominel udgangseffekt | 84kW | 60 kW | 120 kW | |
| Maksimal udgangsstrøm | 192A | 120A | 240A | |
| Systemparametre | EUe ciency | 99,4 % | ||
| iP-klasse | IP65 | |||
| Køling koncept | Naturlig konvektion | Forceret luftkøling | ||
| Dimensioner (B*D*H) | 550x530x280 mm | 630×460×260 mm | 630×460×260 mm | |
| Vægt | 42 kg | 25 kg | 30 kg | |
| Driftstemperatur | -30 ~ 55 ℃ | |||
| Strømforsyningstilstande | Selvdrevet (uden strømforbrug om natten) | |||
| Kommunikationsgrænseflade | RS485 | |||
